SE型导热油旋转接头|高温旋转接头
创建时间:2024-10-28 17:34
넶浏览量:0
-
SE型高温旋转接头产品特点:
高温合金弹簧,浸锑球形密封圈,可在高温下长期使用双圆柱无油轴承支撑,旋转更加稳定,可用于大型振动设备
反球形密封设计,强度是普通密封4倍,强抗杂质,寿命更长
无需维护,易于保养;
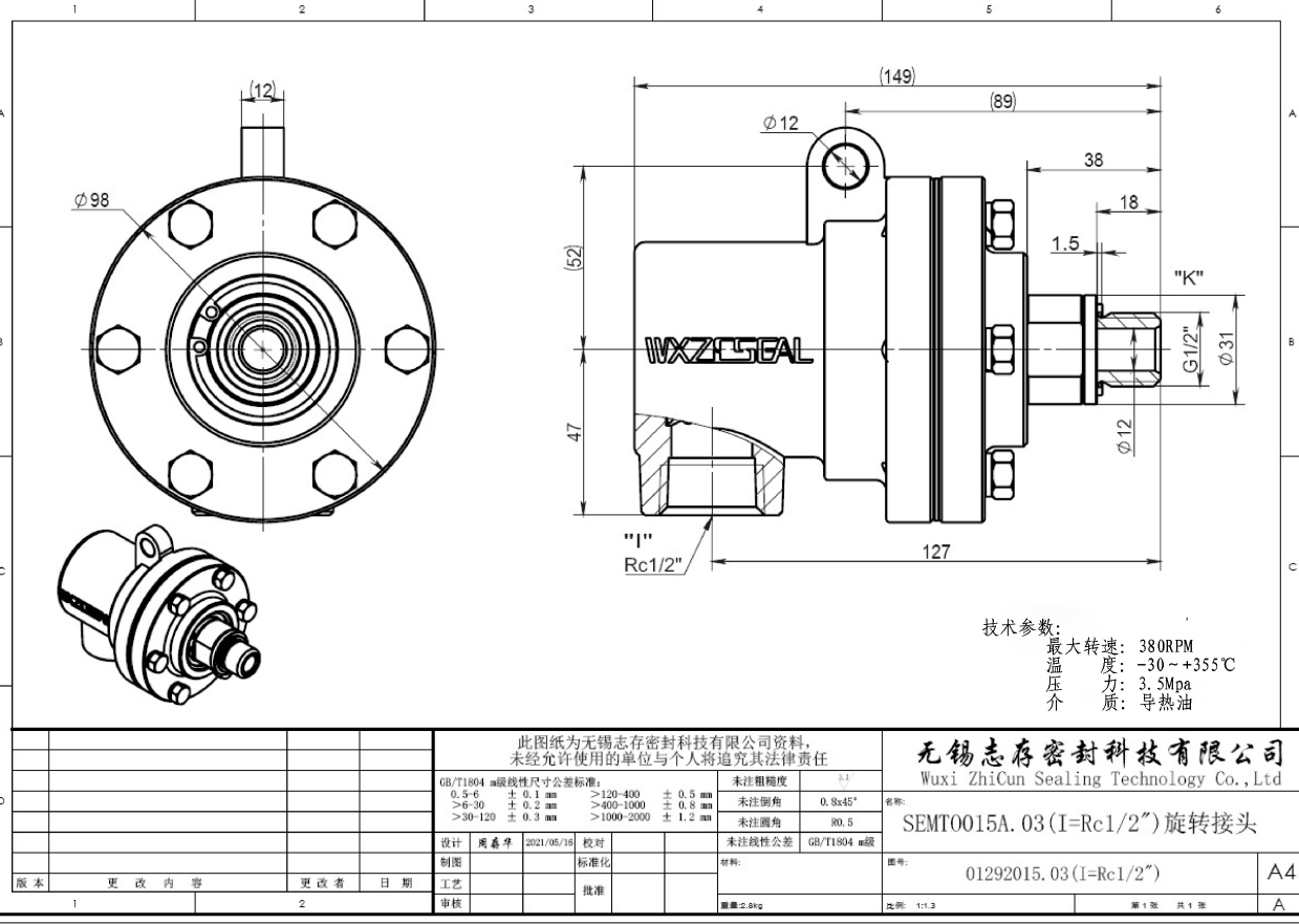
SE型高温旋转接头技术参数:
工作转速:350RPM 工作温度:-30 ~ 355 ℃
工作压力: 3.5Mpa 适用介质: 导热油SE型高温旋转接头型号说明

SEMT型导热油旋转接头尺寸图

SEMQ型导热油旋转接头尺寸图|旋转接头结构图

SEDT型导热油旋转接头尺寸图|旋转接头结构图

SERQ型导热油旋转接头尺寸图|旋转接头结构图

-
-
- 2026-04-25
- 2026-04-03
- 2025-04-01
- 2024-11-09
- 2024-05-07
- 2024-04-23
- 2023-10-06
- 2023-10-05





