Control Render Error!ControlType:productSlideBind,StyleName:Style1,ColorName:Item0,Message:InitError, ControlType:productSlideBind Error:未将对象引用设置到对象的实例。

k型卷取机旋转接头|液压旋转接头

  质量稳定
  实行全过程质量监控,细致入微
,全方位检测!

  价格合理
  高效内部成本控制,减少了开支,让利于客户!

  交货便捷
  先进生产流水线,充足的备货,缩短了交货期!

联系我们
创建时间:2024-03-21 17:55
浏览量:0
  • k型卷取机旋转接头|液压旋转接头

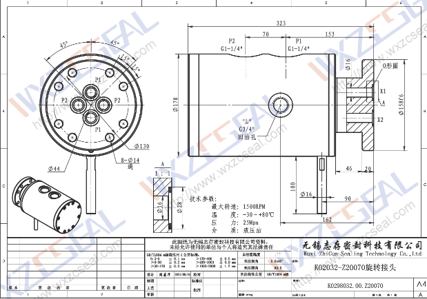
    技术参数:

     最大转速:1500RPM 

     温度:-30 ~ 80 ℃

     压力:25Mpa高压旋转接头

     介质:液压油

     应用:钢厂热轧卷取机的多通道旋转接头

    K02025卷取机旋转接头|旋转接头结构图

    K02025卷取机旋转接头

    K02032卷取机旋转接头|旋转接头结构图

    K02032卷取机旋转接头

     

    K03025A卷取机旋转接头|旋转接头结构图

    K03025A卷取机旋转接头

     

  • 公司名称 *

    联系人 *

    联系电话 *

    地址

    邮箱

    传真

    内容 *

相关资讯

行业定制旋转接头