MC型液压旋转接头|四轴油路分配器
创建时间:2024-03-21 10:10
넶浏览量:0
-
MC型液压旋转接头|四轴油路分配器
产品特点:
独立通道设计,各通道间无干扰
高精密球轴承支撑,运行平衡,免维护
进口密封,密封性能好,寿命长
四轴专用设计结构技术参数:
技术参数:
最大速度: 50RPM 温度范围: -30 ~ 80 ℃
最大压力: 30Mpa 工作介质: 液压油,空气主要应用:
MC系列液压旋转接头是用于加工中心的机床夹具旋转接头,服务于机床四轴夹具,加工中心旋转台,液压工作站,卷取机,风力发电机,离心机等设备。

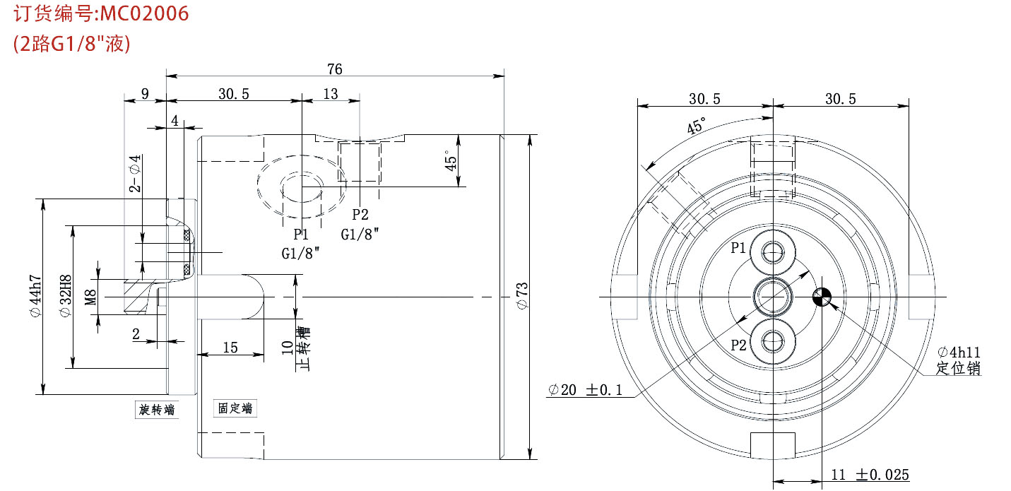
MC02006液压旋转接头|四轴油路分配器

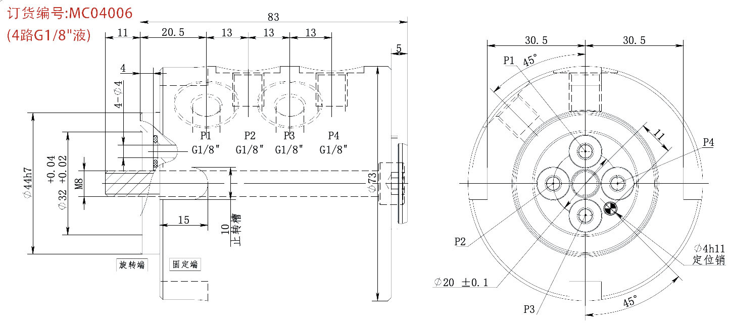
MC04006液压旋转接头|四轴油路分配器

MC06006液压旋转接头|四轴油路分配器
alt="" class="fullScreen" height="355.24861878453044" src="https://img.wanwang.xin/contents/sitefiles2062/10311288/images/49161441.jpg" />


-
-
- 2026-04-25
- 2026-04-03
- 2025-04-01
- 2024-11-09
- 2024-05-07
- 2024-04-23
- 2023-10-06
- 2023-10-05





