Control Render Error!ControlType:productSlideBind,StyleName:Style1,ColorName:Item0,Message:InitError, ControlType:productSlideBind Error:未将对象引用设置到对象的实例。

氟利昂旋转接头|低温旋转接头

  质量稳定
  实行全过程质量监控,细致入微
,全方位检测!

  价格合理
  高效内部成本控制,减少了开支,让利于客户!

  交货便捷
  先进生产流水线,充足的备货,缩短了交货期!

联系我们
创建时间:2023-05-14 16:05
浏览量:0
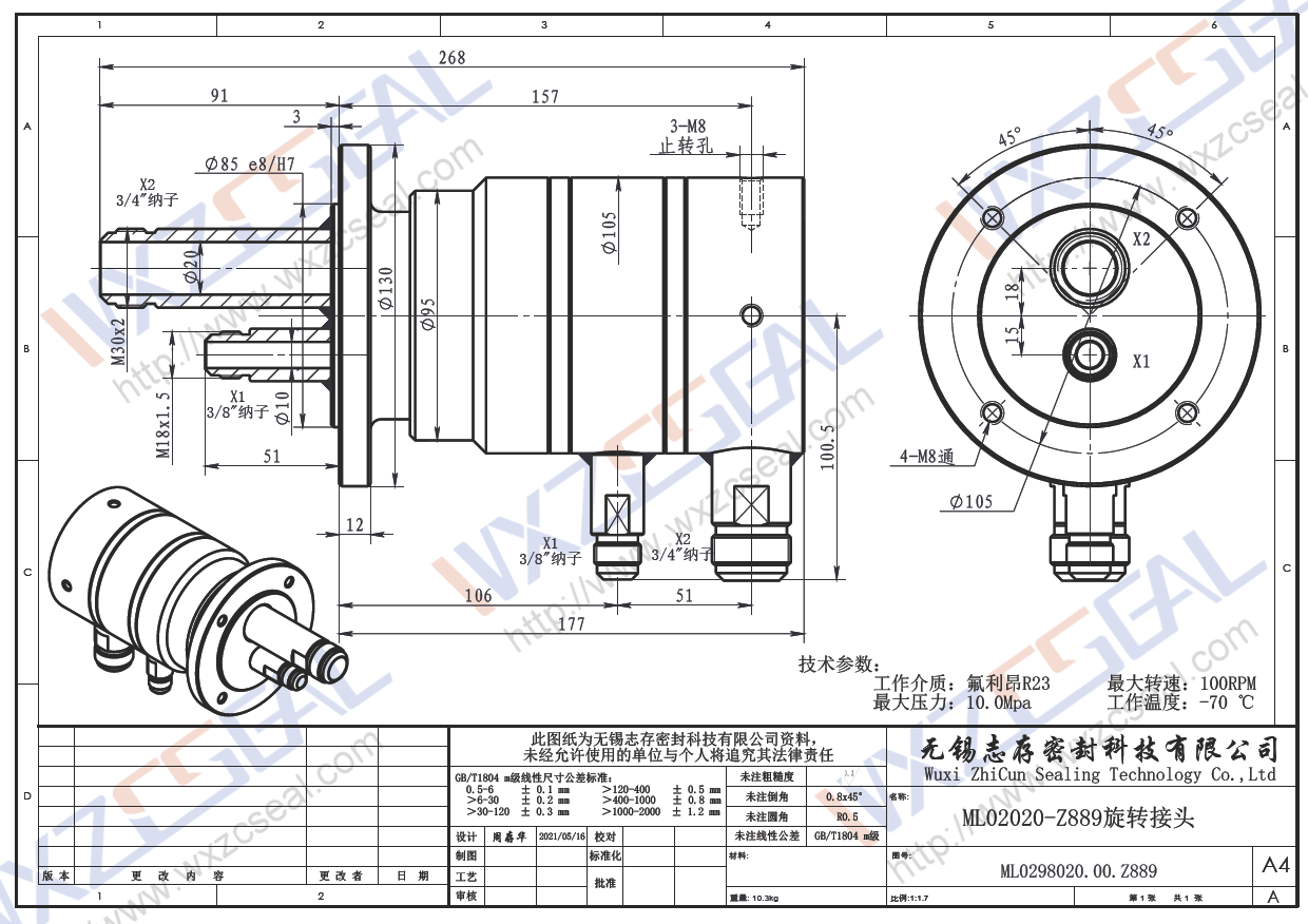
  • 技术参数:

    工作介质:氟利昂R23

    最大转速:100转/分

    最大压力: 10.0mpa

    工作温度:-70 ℃

    M02015-N069两路氟利昂旋转接头

     

    M02020-Z889两路氟利昂旋转接头

     

    ML02015-K10116两路氟利昂旋转接头

     

    ML03020-Z4453三路氟利昂旋转接头

     

  • 公司名称 *

    联系人 *

    联系电话 *

    地址

    邮箱

    传真

    内容 *

相关资讯

行业定制旋转接头