K系列高速高压旋转接头|液压滑环
创建时间:2023-04-28 17:27
넶浏览量:0
-
产品特点:
高精度轴承支撑,运行平稳,轴承无需维护;
高速高压间隙密封结构,确保长期运行无故障;
采用液压油膜结构,高速运转时摩擦热小;
旋转扭矩低,不受工作压力和温度的影响;
排水孔设计,防止泄漏到外部环境.技术参数:
最大速度: 6500转/分 温度范围: -30 ~ 80 ℃
最大压力: 30Mpa L排水孔压力 ≤ 0.5bar
工作介质: 液压油和其他流体介质主要应用:
K系列高速高压旋转接头是用于高速高压多通道旋转设备,服务于加工中心旋转台,液压工作站,卷取机,风力发电机,离心机等设备。
KT型多通道旋转接头
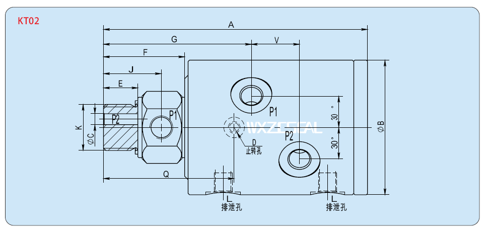
标题 类型 DN 订单号 K P A B C Q D E F G V J L KT02 8A KT02008.03 G3/4 "-右侧 2-G1/4" 148 85 6 85 M8 20 52 86 25 36.5 2-G1/8" 10A KT02010.03 G1 "-RH 2-G3/8" 192 98 8 95 M8 25 59 107.5 35 42 2-G1/4" 15A KT02015.03 G1-1/4 "-右侧 2-G1/2" 229 98 12 107 M8 25 71 127 45 48 2-G1/4" K系列液压旋转接头

类型 DN 订单号 K P A B C M Q D E F G V H J L N-X W K01 8A K01008 45 G1/4" 118 85 5 / 70 M8 5 24 76 / 58 8 2-G1/8" 4-6.6 45 10A K01010 45 G3/8" 121 85 8 / 70 M8 5 24 77.5 / 58 8 2-G1/8" 4-6.6 45 15A K01015 45 G1/2" 128 85 12 / 72 M8 5 24 82 / 58 10 2-G1/8" 4-6.6 45 K02 8A K02008 30 2-G1/4" 133 85 5 14 70 M8 5 24 71 25 58 8 2-G1/8" 4-6.6 45 10A K02010 40 2-G3/8" 182 98 8 20 85 M8 5 32 97.5 35 75 12 2-G1/4" 4-9 60 15A K02015 55 2-G1/2" 227 115 12 25 100 M12 5 36 120 40 95 15 2-G3/8" 6-9 75 20A K02020 65 2-G3/4" 250 135 16 30 105 M12 5 37 126 50 115 15 2-G3/8" 6-14 90 25A K02025 80 2-G1" 274 165 20 42 105 M12 5 44.5 127 76 155 15 2-G1/2" 6-14 130 K03 8A K03008 30 3-G1/4" 158 85 5 14 70 M8 5 24 71 25 58 8 2-G1/8" 4-6.6 45 10A K03010 40 3-G3/8" 217 98 8 20 85 M8 5 32 97.5 35 75 12 2-G1/4" 4-9 60 15A K03015 55 3-G1/2" 267 115 12 25 100 M12 5 36 120 40 95 15 2-G3/8" 6-9 75 K04 8A K04008 30 4-G1/4" 183 85 5 14 70 M8 5 24 71 25 58 8 2-G1/8" 4-6.6 45 10A K04010 40 4-G3/8" 252 98 8 20 85 M8 5 32 97.5 35 75 12 2-G1/4" 4-9 60 15A K04015 65 4-G1/2" 307 125 12 32 100 M12 5 36 119 40 105 15 2-G3/8" 6-9 85 K06 8A K06008 125 6-G1/4" 232 90 4 26 75.5 3-M8 12 7 65 22 / / 2-G1/4" 6-6.3 108 订购说明

重要提示:
1.K系列高速高压旋转接头采用间隙密封结构。排油孔L与回油箱必须用油管连接,确保回油畅通;
2.内部通道存在相互泄漏,应注意不同流体的相容性,防止交叉污染;
3.高精度接头过滤后应使用工作液,过滤精度不低于10μm;
4.温度升高会使液压油的粘度降低,导致内部泄漏增加,使用时需要液压站冷却装置;
5.液压系统需要自动压力调节器,以补偿接头内部泄漏造成的压力损失;
6.使用液压油以外的其他介质时,请咨询志存密封技术部。 -
-
- 2025-04-01
- 2024-11-09
- 2024-05-07
- 2024-04-23
- 2024-01-24
- 2023-10-07
- 2023-10-06
- 2023-10-05






